有立國際股份有限公司
關於有立
最新消息
產品介紹
支援服務
檔案下載
問與答
聯絡我們
PRODUCTS
產品介紹
專業的諮詢 / 完善的品質 / 迅速的服務
HOME
產品介紹
回上頁
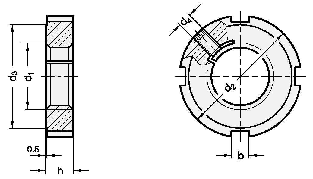
GN 1804.2 攻槽夾持螺帽
商品編號:GN 1804.2
帶螺紋鎖定的開槽防鬆螺帽 GN 1804.2 可通過 d4 緊定螺釘擰開螺紋軸,防止扭曲。
螺帽的螺紋側面確保無損壞的固定,並可根據需要經常使用。
d3 偏移平面表面用作軸向接觸表面。
分享:
加入洽詢單
GN 1804.2 PDF
螺帽的強度值
規格說明
關於有立
最新消息
產品介紹
支援服務
檔案下載
問與答
聯絡我們
網頁設計
‧
iLeo
洽詢車
你的洽詢車總計
0
件產品
產品介紹
洽詢表單
商品搜尋
偵測到您已關閉Cookie,為提供最佳體驗,建議您使用Cookie瀏覽本網站以便使用本站各項功能