有立國際股份有限公司
關於有立
最新消息
產品介紹
支援服務
檔案下載
問與答
聯絡我們
PRODUCTS
產品介紹
專業的諮詢 / 完善的品質 / 迅速的服務
HOME
產品介紹
回上頁
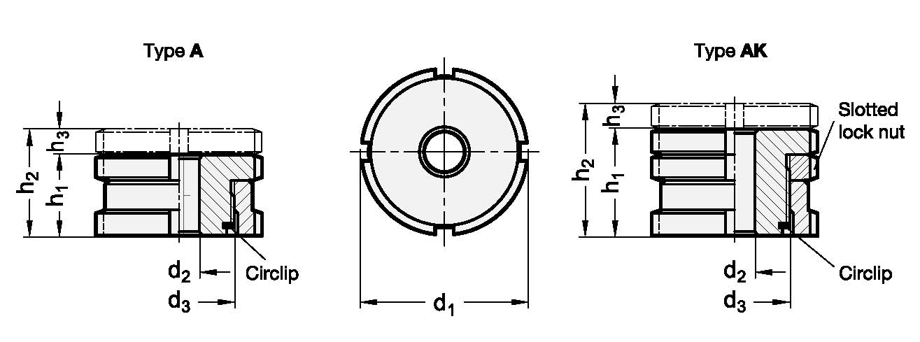
GN 350.1 水平調整元件
商品編號:GN 350.1
調平套件 GN 350.1 用於調平、調整和連結操作(如果尺寸較小)。
它們包括一個螺紋上套筒和一個內螺紋下套筒。
細螺紋允許使用 DIN 1810 C 型扳手進行無級精確設置和鎖定。
鎖定環用作最大高度的高度限制器。
分享:
加入洽詢單
GN 350.1 PDF
不鏽鋼特性
規格說明
關於有立
最新消息
產品介紹
支援服務
檔案下載
問與答
聯絡我們
網頁設計
‧
iLeo
洽詢車
你的洽詢車總計
0
件產品
產品介紹
洽詢表單
商品搜尋
偵測到您已關閉Cookie,為提供最佳體驗,建議您使用Cookie瀏覽本網站以便使用本站各項功能