有立國際股份有限公司
關於有立
最新消息
產品介紹
支援服務
檔案下載
問與答
聯絡我們
PRODUCTS
產品介紹
專業的諮詢 / 完善的品質 / 迅速的服務
HOME
產品介紹
回上頁
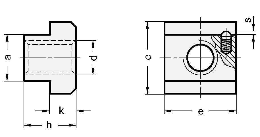
GN 508.2 T 型螺帽
商品編號:GN 508.2
GN 508.2 T型螺帽的尺寸與DIN 508相同。
但是,它們安裝在帶有彈簧載入元件(球/壓力彈簧)的側面。
這將防止螺帽不必要的移動,尤其是在垂直安裝的 T 型槽床中。
分享:
加入洽詢單
GN 508.2 PDF
螺帽的強度
規格說明
關於有立
最新消息
產品介紹
支援服務
檔案下載
問與答
聯絡我們
網頁設計
‧
iLeo
洽詢車
你的洽詢車總計
0
件產品
產品介紹
洽詢表單
商品搜尋
偵測到您已關閉Cookie,為提供最佳體驗,建議您使用Cookie瀏覽本網站以便使用本站各項功能