有立國際股份有限公司
關於有立
最新消息
產品介紹
支援服務
檔案下載
問與答
聯絡我們
PRODUCTS
產品介紹
專業的諮詢 / 完善的品質 / 迅速的服務
HOME
產品介紹
回上頁
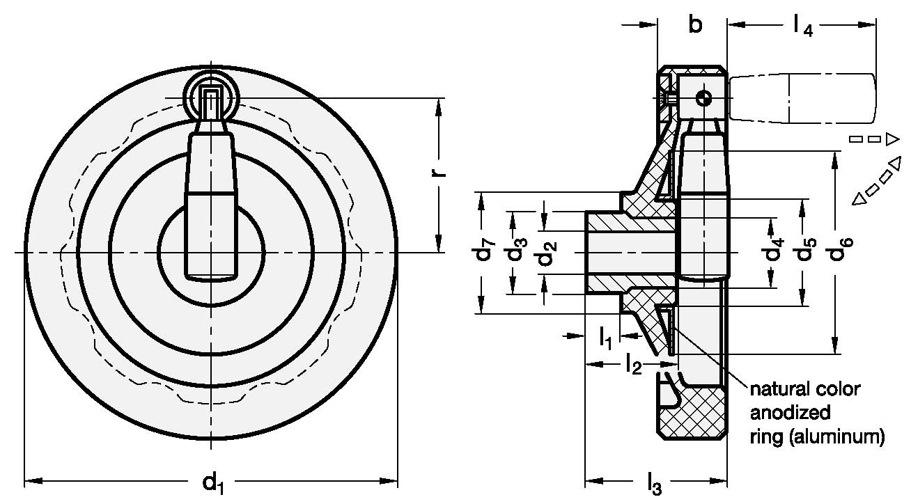
GN 520.4 摺疊把手手輪
商品編號:GN 520.4
GN 520.4 手輪中的把手鎖定在操作位置的錐形孔中。
對於反轉,必須首先將其從圓錐體沿軸向拉出。
壓力彈簧將把手固定在兩個位置。當擺出時,它會自動再次接合。
該標準取代了以前的手輪GN 520.3。
分享:
加入洽詢單
GN 520.4 PDF
鍵槽 P9 DIN 6885 第1頁
十字孔 GN 110
ISO 基本公差
塑料特性
規格說明
關於有立
最新消息
產品介紹
支援服務
檔案下載
問與答
聯絡我們
網頁設計
‧
iLeo
洽詢車
你的洽詢車總計
0
件產品
產品介紹
洽詢表單
商品搜尋
偵測到您已關閉Cookie,為提供最佳體驗,建議您使用Cookie瀏覽本網站以便使用本站各項功能