GN 521.3 摺疊把手手輪
商品編號:GN 521.3
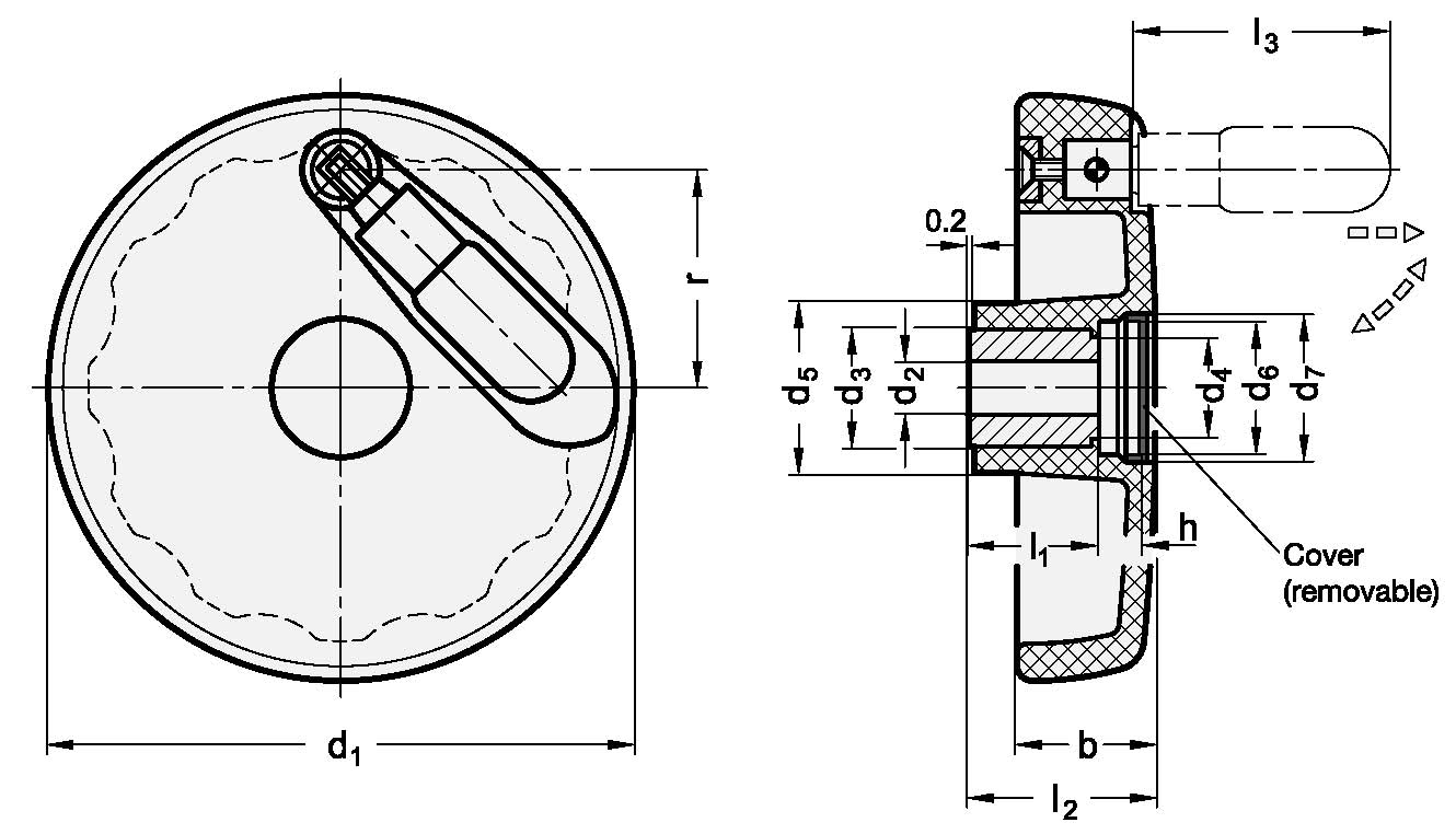
			GN 521.3 手輪中的把手鎖定在工作位置的錐形孔中。
對於反轉,必須首先將其從圓錐體沿軸向拉出。
壓力彈簧將把手固定在兩個位置。當擺出時,它會自動再次接合。
蓋子隱藏了夾緊元件,例如副軸皮帶輪,以及突出和嵌入式軸。
安裝時,用手將蓋子推入。
對於拆卸,可以通過在蓋子的邊緣施加適度的壓力來抬起和取下蓋子。
        		對於反轉,必須首先將其從圓錐體沿軸向拉出。
壓力彈簧將把手固定在兩個位置。當擺出時,它會自動再次接合。
蓋子隱藏了夾緊元件,例如副軸皮帶輪,以及突出和嵌入式軸。
安裝時,用手將蓋子推入。
對於拆卸,可以通過在蓋子的邊緣施加適度的壓力來抬起和取下蓋子。

