有立國際股份有限公司
關於有立
最新消息
產品介紹
支援服務
檔案下載
問與答
聯絡我們
PRODUCTS
產品介紹
專業的諮詢 / 完善的品質 / 迅速的服務
HOME
產品介紹
回上頁
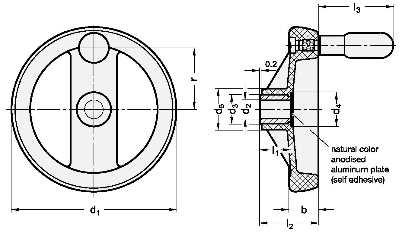
GN 522.5 輻條手輪
商品編號:GN 522.5
考慮到人體工程學和衛生要求的優雅設計是 GN 522.5 輻條手輪的突出特點。
由於所使用的材料,它們特別適用於腐蝕性環境或必須濕法清潔的區域。
特別是,經 FDA 認證的塑料材料允許在食品工業中使用。
分享:
加入洽詢單
GN 522.5 PDF
鍵槽 P9 DIN 6885 第1頁
十字孔 GN 110
ISO 基本公差
塑料特性
不鏽鋼特性
規格說明
關於有立
最新消息
產品介紹
支援服務
檔案下載
問與答
聯絡我們
網頁設計
‧
iLeo
洽詢車
你的洽詢車總計
0
件產品
產品介紹
洽詢表單
商品搜尋
偵測到您已關閉Cookie,為提供最佳體驗,建議您使用Cookie瀏覽本網站以便使用本站各項功能