有立國際股份有限公司
關於有立
最新消息
產品介紹
支援服務
檔案下載
問與答
聯絡我們
PRODUCTS
產品介紹
專業的諮詢 / 完善的品質 / 迅速的服務
HOME
產品介紹
回上頁
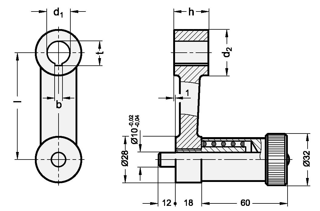
GN 558 定位搖動把手
商品編號:GN 558
GN 558 定位搖動把手用於定位機構。
用於主軸定位的標準機械元件
分享:
加入洽詢單
GN 558 PDF
鍵槽 P9 DIN 6885 第2頁
ISO 基本公差
規格說明
關於有立
最新消息
產品介紹
支援服務
檔案下載
問與答
聯絡我們
網頁設計
‧
iLeo
洽詢車
你的洽詢車總計
0
件產品
產品介紹
洽詢表單
商品搜尋
偵測到您已關閉Cookie,為提供最佳體驗,建議您使用Cookie瀏覽本網站以便使用本站各項功能