有立國際股份有限公司
關於有立
最新消息
產品介紹
支援服務
檔案下載
問與答
聯絡我們
PRODUCTS
產品介紹
專業的諮詢 / 完善的品質 / 迅速的服務
HOME
產品介紹
回上頁
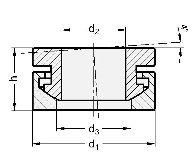
GN 6319.1 球面墊圈
商品編號:GN 6319.1
球形/碟形墊圈組合 GN 6319.1 提供球形墊圈/碟形墊圈 DIN 6319 的“不可拆卸”連接。
它們易於存儲並允許快速高效的安裝。
分享:
加入洽詢單
GN 6319.1 PDF
不鏽鋼特性
規格說明
關於有立
最新消息
產品介紹
支援服務
檔案下載
問與答
聯絡我們
網頁設計
‧
iLeo
洽詢車
你的洽詢車總計
0
件產品
產品介紹
洽詢表單
商品搜尋
偵測到您已關閉Cookie,為提供最佳體驗,建議您使用Cookie瀏覽本網站以便使用本站各項功能