有立國際股份有限公司
關於有立
最新消息
產品介紹
支援服務
檔案下載
問與答
聯絡我們
PRODUCTS
產品介紹
專業的諮詢 / 完善的品質 / 迅速的服務
HOME
產品介紹
回上頁
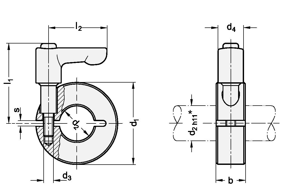
GN 706.4 夾持軸環
商品編號:GN 706.4
GN 706.4 半剖分式軸環可以通過使用可調節的手柄降低槽高來安全簡單地夾緊,
因此它們的作用就像一個末端擋塊。該版本具有很大的優勢,特別是對於需要軸環新位置的應用。
尺寸 d1 = 32 和 36 的螺紋 d3 設計為通孔;對於尺寸 D1 = 42 及更大,它被設計為盲孔。
分享:
加入洽詢單
GN 706.4 PDF
軸環類型列表
ISO基本公差
不鏽鋼特性
軸環亮點/產品資訊
規格說明
關於有立
最新消息
產品介紹
支援服務
檔案下載
問與答
聯絡我們
網頁設計
‧
iLeo
洽詢車
你的洽詢車總計
0
件產品
產品介紹
洽詢表單
商品搜尋
偵測到您已關閉Cookie,為提供最佳體驗,建議您使用Cookie瀏覽本網站以便使用本站各項功能