有立國際股份有限公司
關於有立
最新消息
產品介紹
支援服務
檔案下載
問與答
聯絡我們
PRODUCTS
產品介紹
專業的諮詢 / 完善的品質 / 迅速的服務
HOME
產品介紹
回上頁
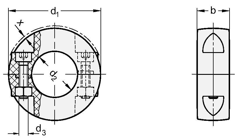
GN 707.5 夾持軸環
商品編號:GN 707.5
GN 707.5 剖分式軸環可以徑向組裝,例如,作為末端擋塊安裝在電纜、軸和軸上。
夾緊是通過降低槽高來完成的,其中表面由塑膠適當保護。
結合不鏽鋼螺釘和螺母,極其輕巧的塑膠元件特別適用於腐蝕性環境。
分享:
加入洽詢單
GN 707.5 PDF
軸環類型列表
ISO基本公差
不鏽鋼特性
軸環亮點/產品資訊
規格說明
關於有立
最新消息
產品介紹
支援服務
檔案下載
問與答
聯絡我們
網頁設計
‧
iLeo
洽詢車
你的洽詢車總計
0
件產品
產品介紹
洽詢表單
商品搜尋
偵測到您已關閉Cookie,為提供最佳體驗,建議您使用Cookie瀏覽本網站以便使用本站各項功能