GN 848 浮動開關
商品編號:GN 848
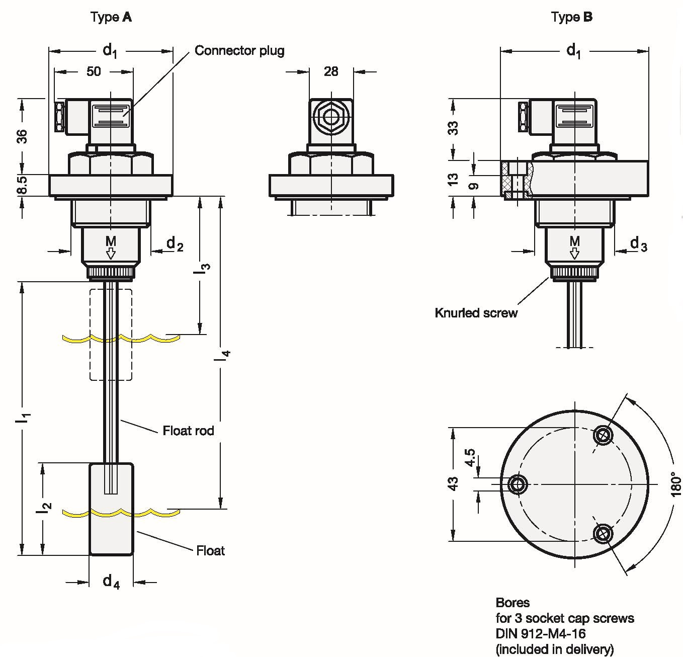
浮控開關 GN 848 可用於監測液位,方法是在超過規定的液位或低於規定的標記時立即啟動電氣開關觸點。
達到開關點的所需液位由浮子桿的長度決定。卸下浮子后,可以縮短該桿;油或水的刻度有助於確定確切的長度。
浮法桿的頂端具有磁鐵,當到達適當位置時,無論要監測的介質如何,該磁鐵都會啟動簧片觸點。
根據磁體在浮子桿中的安裝位置,可以操作常開(NO)或常閉(NC)。交付時,磁體設置為常開 (NO) 運行。
達到開關點的所需液位由浮子桿的長度決定。卸下浮子后,可以縮短該桿;油或水的刻度有助於確定確切的長度。
浮法桿的頂端具有磁鐵,當到達適當位置時,無論要監測的介質如何,該磁鐵都會啟動簧片觸點。
根據磁體在浮子桿中的安裝位置,可以操作常開(NO)或常閉(NC)。交付時,磁體設置為常開 (NO) 運行。

