有立國際股份有限公司
關於有立
最新消息
產品介紹
支援服務
檔案下載
問與答
聯絡我們
PRODUCTS
產品介紹
專業的諮詢 / 完善的品質 / 迅速的服務
HOME
產品介紹
回上頁
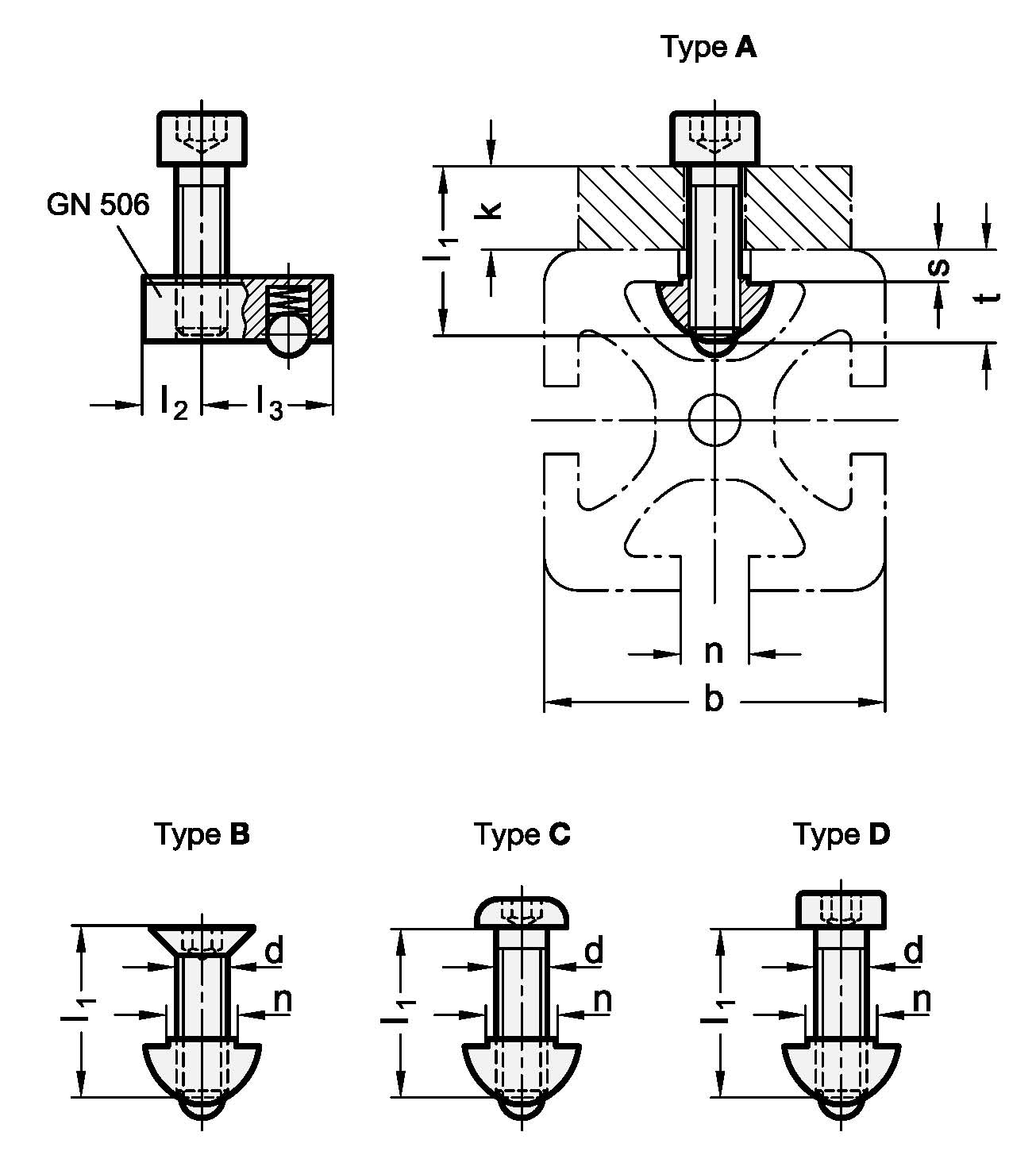
GN 965 裝配套件
商品編號:GN 965
裝配套件GN 965允許將不同的標準元件連接到最常見的型材系統上。
每套包括一個 T 形螺帽 GN 506 和一個螺釘。
分享:
加入洽詢單
GN 965 PDF
GN 965 裝配套件的適用標準概述
ISO基本公差
規格說明
關於有立
最新消息
產品介紹
支援服務
檔案下載
問與答
聯絡我們
網頁設計
‧
iLeo
洽詢車
你的洽詢車總計
0
件產品
產品介紹
洽詢表單
商品搜尋
偵測到您已關閉Cookie,為提供最佳體驗,建議您使用Cookie瀏覽本網站以便使用本站各項功能